Муфты зубчатые ГОСТ 50895-96
Муфты зубчатые ГОСТ 50895-96: Государственный стандарт надежности
В данном разделе каталога ООО «Н-Кратор» представлены зубчатые муфты, изготовленные в строгом соответствии с ГОСТ 50895-96.
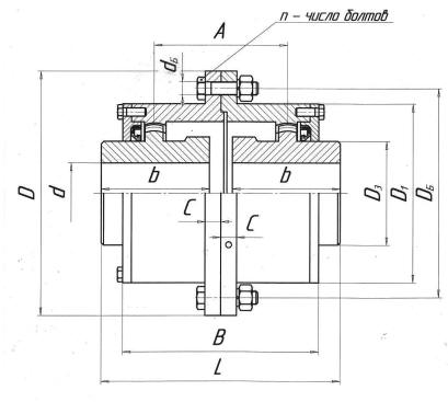
Этот стандарт пришел на смену старому советскому ГОСТ 5006-83 и устанавливает современные требования к муфтам, предназначенным для передачи крутящего момента от 1000 до 250 000 Н·м.
Особенности продукции по ГОСТ 50895-96:
- Улучшенная геометрия зуба: В отличие от устаревших стандартов, ГОСТ 50895-96 предусматривает оптимизированный профиль зубьев, что значительно увеличивает площадь контакта и снижает удельное давление. Это продлевает срок службы муфты в 1,5–2 раза.
- Высокопрочные материалы: Согласно стандарту, для производства используются заготовки из сталей марок 40, 45, 40Х или 45Л с обязательной термической обработкой (закалкой) до твердости не менее 35-45 HRC.
- Три типа исполнения: Мы поставляем все предусмотренные стандартом типы муфт:
- Тип 1 — для непосредственного соединения валов (аналог МЗ).
- Тип 2 — с промежуточным валом (аналог МЗП).
- Тип 3 — с фланцевой полумуфтой для присоединения к маховикам или тормозным шкивам.
- Взаимозаменяемость: Муфты данного стандарта полностью совместимы с современным промышленным оборудованием российского и зарубежного производства.
Почему стоит заказать в ООО «Н-Кратор»?
Мы понимаем, что для грузоподъемных механизмов безопасность стоит на первом месте.
Поэтому каждая муфта, отгружаемая со склада, проходит технический контроль и сопровождается сертификатом качества и паспортом изделия, подтверждающим соответствие ГОСТ 50895-96.
Нужна консультация по маркировке или подбор аналога?
Наши инженеры помогут расшифровать обозначение (например, Муфта 1-4000-50-1-У3) и подберут оптимальный вариант под ваши посадочные размеры и условия эксплуатации.


|






.png?1764320126)


















